Bitcoin, schon gehört!
Hier informieren!Bitcoin

Niederschlagsradar Deutschland

Elektronik Transistoren

Transistorbauformen

zur Transiatorübersicht nach Oben
SOT32.png
SOT54.png
zur Transiatorübersicht
TO3.png
TO-18(BC109B).png
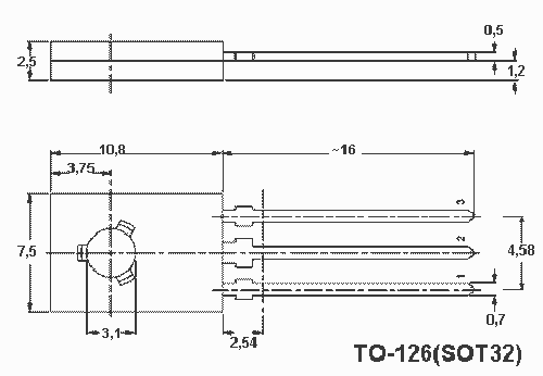
zur Transiatorübersicht nach Oben
TO126.png
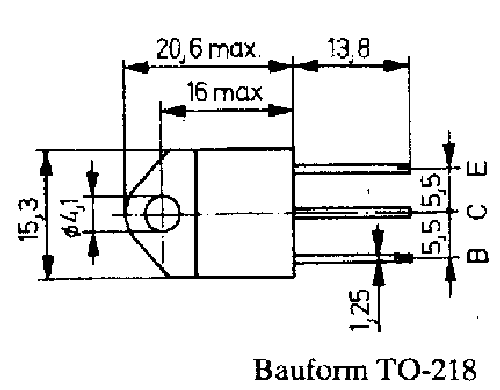
zur Transiatorübersicht nach Oben
TO218.png
zur Transiatorübersicht nach Oben
TO240.png
zur Transiatorübersicht nach Oben

<überarbeitet
20.12.08

[Home] [Computer] [Elektronik] [Knopfzellen] [Küchenmontagen] [Möbelmontagen]

Zum Gästebuch

 

[AGB] [Impressum]

© Torsten Bubbe

 

Unsere Partner:

---------------------------- Billigflug
---------------------------- Pauschalreisen
---------------------------- VfG-Versandapotheke DE/AT
---------------------------- ---------------------------- Orion - 100 % Erotik
----------------------------